易特艾弗网络科技

快讯

机器人减速器的针齿壳内针齿磨具设计

时间:2020-09-06 16:23 浏览:

   机器人关节减速器广泛用于工业机器人、机床和医疗检测设备,而针对机器人减速器关键性零件针齿壳的批量加工却是一个难题,经过作者分析,结合实际,设计出一套针对内针齿加工的磨具,安装在磨外齿的成形磨齿机上,既解决了内针齿难以批量加工的问题,又节省了购置设备的成本。

   机器人关节减速器(见图1)属于RV传动,它是在传统针摆行星传动的基础上发展出来的,具有体积小、质量轻、传动比范围大、寿命长、精度保持稳定、效率高及传动平稳等一系列优点,被广泛应用于工业机器人、机床和医疗检测设备。

  

机器人减速器的针齿壳内针齿磨具设计

  

图1 机器人减速器

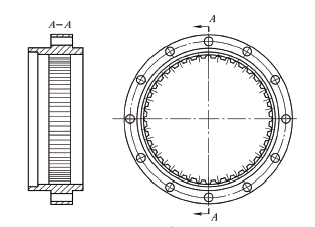
   我公司在机器人减速器研发方面取得突出成绩,在国内市场中占有一席之地。但针对机器人减速器关键性零件针齿壳(见图2)的批量加工却是一个难题。如果产品要批量加工,购买内齿磨机床是解决问题的最直接方法,但这需要大量资金投入,经过论证,决定在成形磨齿机YK7332A的基础上加装专门磨针齿的内磨具,这样既能最大限度的减少资金投入,又能充分发挥公司磨齿机产品的高质量、高精度和高效率的优势。

  

机器人减速器的针齿壳内针齿磨具设计

  

图2 针齿壳

   首先, 对零件( 见图3 )进行分析, 针齿壳的内圆周上分布了4 0 -φ 8 H 7 的针销半圆孔, 加工要求:各孔相邻公差0.005mm、累积公差0.015mm,齿向公差0.005mm,径向圆跳动0.015mm,表面粗糙度值Ra=0.4μm,位置度公差0.008mm,齿部与标准量棒复触沿齿向及圆周方向大于85%。

   YK7332A是成形磨齿机,可以磨削齿轮、蜗杆和花键,加工精度最高可达3级。如何做到内针齿磨具和机床的最佳配合,是达到设计要求的保证,如何做到磨具的精度、刚度和稳定性满足零件加工要求则是设计的关键。

   YK7332A成形磨齿机的分度精度0.002mm,完全能满足针齿壳的相邻公差、累积公差的加工要求,而针齿的齿形、径向圆跳动、表面粗糙度及复接触要求取决于磨具的精度。磨具的刚性是影响磨削质量的重要因素,第一次的设计中,磨具直接安装在原机床磨具座的端面(见图4、图5),刚性较差,受力不均匀,重新设计后,将内针齿磨具直接安装在机床主轴模具座拖板上,并去掉安装板,这样就保证了磨具的刚性,直接通过机床主轴带动旋转,减少了中间传动环节,提高了传动效率和安装的可操作性、可靠性。

  

机器人减速器的针齿壳内针齿磨具设计

  

图3 零件

  
 

  

机器人减速器的针齿壳内针齿磨具设计

  

图4 外形

  

机器人减速器的针齿壳内针齿磨具设计

  

图5 结构

   磨具的精度保持性和高互换性是提高磨削效率的关键,第一次的设计中,按照通常思路,轴承内圈转动,带动砂轮磨削工件,由于结构限制,无法加密封,砂粒、切屑随着切削液流入磨具内部。轴承损坏较快,更换砂轮时,先要把主轴从轴承中取出,反复几次,对轴的损伤很大,精度也严重走失。

   经过分析论证,在磨具的设计中,将支架的一体设计改成分体设计,增加夹紧板,将旋转部件的分散安装改成一体安装设计,将轴承装配于轴承座内,内圈与轴固定,改变轴及轴承内圈转动的定势思维,利用轴承外圈转动,轴承座外圆上安装磨削砂轮,更换砂轮时,只需要松开螺钉,拆下夹紧板,即可快速更换砂轮,在这个更换过程中对旋转精度、定位精度及轴承精度没有任何影响。在壳体与轴之间,增加了德氏封密封,既不影响砂轮的高速旋转,又能防止磨粒和切屑进入到轴承内部,达到良好的密封效果。旋转部件的一体设计,既能保持磨具精度的稳定,又能实现快速更换的要求。为针齿壳的大批量生产打下坚实的基础。针齿壳磨具结构如图6所示。

  
 

  

机器人减速器的针齿壳内针齿磨具设计

  

图6 针齿壳磨具结构

   1、6、8、19-垫圈 2-锁紧螺母 3-压盖 4、12、20、22-螺钉 5-调整垫圈 7-砂轮 9-轴承 10-调整环 11-夹紧板 

   13-轴 14-密封圈 15-壳体 16-支架 17-楔形带 18-主带轮 21-胀套 23-螺母 24-外隔套 25-内隔套

   保证针齿壳加工精度的决定性因素就是磨具的总体综合精度, 这就要求磨具装配前各个零件的加工精度都达到设计要求。其中,磨具回转轴的跳动及轴向窜动又特别关键,结合国外的先进经验, 对轴承座、轴及各种回转零件的精度都作了要求,各外圆对基准同轴度要求是0.001mm,在装配时,又精心调整了轴承的轴向间隙,最终保证了磨具的综合精度。

   楔形带的运用,使砂轮运转更加平稳,其和机床主轴的弹性联接,便于转速的平稳调节。

   磨具回转中的动态刚性,也是影响磨具精度的一个重要因素,设计中,增加了轴两端的螺钉,作用就是给轴施加一个轴向预紧力,使磨具在运转中,能保持稳定的动态刚度。

   在保证零件加工精度的前提下,与机床的良好配合是发挥磨具功能的保证,设计中,将磨具安装于机床拖板之上,动力来源是原机床的主轴电动机,磨具的转速就可以通过机床的控制自动调节。砂轮的修形也可以由机床的修形机构来完成。磨具最大限度的和机床融为一体,成为机床的一个部件,而不仅仅只是做为一个功能部件存在。

   经过车间实践验证,这套内针齿磨具在使用中,刚性可靠,加工的零件达到精度要求,而且精度持续稳定。轴承的更换频率由五、六天一次,降低到三个月甚至半年一次。班产也由原先每班一件提高到每班五件。这套针齿壳磨具在后来又陆续生产了数套,现在已完全满足了我公司机器人减速器针齿壳的大批量生产要求。

   综上所述,只有在设计工作中,充分考虑到各种影响因素,精心设计借鉴各种先进经验,才能设计出好的产品。

  
 

  
 

   本文发表于《金属加工(冷加工)》2019年第11期43-45页,作者:秦川机床工具集团股份公司贾竞雄、陈华平、郭瑞,原标题:《针齿壳内针齿磨具的设计》。